In questo articolo verrà descritta nel dettaglio l’implementazione delle verifiche geotecniche disponibili dalla versione 2.6 di NextFEM Designer, con degli esempi di calcolo per comprendere le metodologie utilizzate nei vari casi. Si vedranno inoltre i comandi per ottenere la verifica a punzonamento.
NextFEM Designer v2.6 introduce, all’interno del modulo Concrete, le nuove verifiche geotecniche per le fondazioni superficiali come plinti, travi rovesce, travi di collegamento e platee.
Il calcolo della capacità portante del terreno (o carico limite) è il tema principale. I modelli di calcolo più diffusi per la stima della capacità portante si basano tutti su una relazione trinomia e sono attribuibili:
- Terzaghi (1943)
- Meyerhof (1951)
- Brinch-Hansen (1970)
- Vesic (1973)
Gli approcci differiscono principalmente per la formulazione del termine Nγ, per il quale la proposta di Vesic è la meno conservativa, mentre quella di Hansen è maggiormente adottata.
Vediamo nel dettaglio un esempio di calcolo la formulazione di Brinch-Hansen per un terreno granulare e un terreno coesivo, utilizzando l’approccio di verifica A1M1R3 che permette di utilizzare le forze agenti direttamente dalle combinazioni utilizzate per il calcolo della sovrastruttura, utilizzando i seguenti fattori parziali di sicurezza dal cap. 6 delle NTC2018.


Caso terreno granulare
angolo attrito caratteristico
coesione
dimensioni
![]()
![]()
![]()
approfondimento
![]()
densità terreno
![]()
![]()
Fattori di capacità portante
![]()
![]()
![]()
Fattori di forma

![]()
![]()
Fattori di profondità
![]()

![]()
![]()
![]()
Contributo Paolucci-Pecker per effetti sismici
![]()
![]()
![]()
![]()

![]()
![]()
CARICO LIMITE di progetto - capacità alla Hansen
![]()
Caso terreno coesivo
angolo attrito caratteristico
coesione
dimensioni
![]()
![]()
![]()
approfondimento
![]()
densità terreno
![]()
![]()
Fattori di capacità portante
![]()
![]()
![]()
Fattori di forma

![]()
![]()
Fattori di profondità
![]()

![]()
![]()
![]()
Contributo Paolucci-Pecker per effetti sismici
![]()
![]()
![]()
![]()

![]()
![]()
CARICO LIMITE di progetto - capacità alla Hansen
![]()
Lo scorrimento riveste una particolare importanza nel caso di plinti; la relativa verifica è esemplificata nel seguito, considerando il terreno coesivo di cui sopra.
Fattore parziale di sicurezza
![]()
angolo attrito ϕ fra terreno e fondazione
![]()
![]()
![]()
![]()
verifica
![]()
![]()
Il programma
NextFEM Designer v2.6 permette di condurre la verifica in tutte le strutture di
fondazione modellate, selezionando come set di verifiche
NTC_FondazioniGeo.

La verifica viene
svolta per ogni elemento piano del plinto, fornendo una mappa a colori delle
zone verificate a capacità portante e di quelle non verificate. Per ciascun
elemento la pressione sul terreno cambia, pertanto il rapporto Domanda /
Capacità mostrato nella colonna “Pressioni terreno” sarà diverso.
La colonna “Scorrimento” invece riporterà lo stesso rapporto di verifica per
gli elementi piani appartenenti allo stesso plinto. Nel log di verifica
troveremo:
- VX e VY per indicare lo scorrimento nelle 2 direzioni del piano di posa del plinto;
- N per indicare la pressione sul terreno.
Nel caso di verifica a scorrimento per una stazione di trave:
- N è il valore assoluto del taglio Vy (attenzione a eventuali rotazioni utente degli assi locali)
- VX è la forza Vz (taglio orizzontale trave su suolo elastico)
- VY è nullo.
La nuova versione
2.6 di NextFEM Designer esegue anche la verifica a punzonamento
per solette e platee, all’interno del set di verifica
C.a. NTC.

Vengono verificati solo gli elementi piani con un nodo in comune con elementi verticali punzonanti.
La verifica a punzonamento avviene secondo le indicazioni dell’Eurocodice 2, dapprima calcolando la resistenza a taglio-punzonamento del solo cls e poi, in caso di mancata verifica, considerando le armature specifiche per il punzonamento considerate come braccia staffe verticali disposte attorno al perimetro di verifica dell’elemento punzonante.


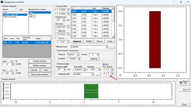
Tali armature possono essere specificate nel riquadro “Armatura a taglio” delle solette, al parametro Num. Braccia Z, che usualmente è 0. Ad esempio, specificando 8, verranno considerati 8 barre diametro 12mm equi-disposte lungo il perimetro di verifica u1 (vedasi log di verifica).
Per chiarezza, si ricorda che Num. Braccia Y negli Wall rappresenta il numero di ferri orizzontali della parete (infatti il “Diametro staffa” assume lo stesso valore del “Diametro barra” per le longitudinali).