Le pareti in c.a. (muri di sostegno, setti, ecc.) sono spesso un problema per la loro modellazione nei software ad elementi finiti. Questo breve articolo descrive le funzionalità avanzate di NextFEM Designer per la meshatura, l’applicazione del carico e la verifica resistente per le pareti in c.a.
Una parete è costituita da un insieme di elementi piani, che ne definiscono la mesh. Gli elementi shell di NextFEM Designer rappresentano le caratteristiche membranali e flessionali di una parete, adottando una mesh opportuna (in genere, mai superare i 40-50cm di lato per ogni elementi piano).
Ci sono diverse alternative per la modellazione di una parete in Designer:
A.
Utilizzare il
comando Modifica / Strumenti mesh / Aggiungi parete

B.
Disegnare un
elemento Quad e usare il comando Modifica / Strumenti mesh / Automesh parete
per ottenere una parete meshata con una mesh strutturata (cioè regolare)

C.
Disegnare solo i
nodi perimetrali e meshare l’area racchiusa, con il comando Modifica /
Strumenti mesh / Mesh area. La mesh ottenuta sarà non strutturata (cioè
irregolare).

Quest’ultima opzione è da utilizzarsi solo per contorni irregolari, perdendo l’orientazione degli assi locali per ogni singolo elemento piano. Per ripristinarla, usare il comando Assegna / Ruota assi locali.
Prima e dopo la rotazione degli assi locali 
Il mancato allineamento degli assi locali non permette la lettura a vista del modello di forze per unità di lunghezza, stress e deformazioni, pertanto questo passaggio è fondamentale per mesh non strutturate.
L’applicazione del carico, qualunque sia la meshatura adottata, è semplificata dal comando Assegna / Carichi / Pressione. Le opzioni “Carico non uniforme” e “Considera parete” consentono di specificare il carico sui nodi estremi della parete (i 4 iniziali). Fatto questo, l’applicazione del carico è totalmente automatica, con gradiente lineare.

Le pareti in c.a. sono rappresentate in NextFEM Designer da un gruppo particolare di elementi, denominato Wall. Un gruppo di tipo Wall viene creato selezionando l’intera parete (cioè tutti i suoi elementi) e premendo il tasto “Crea parete per verifica” dalla maschera Gruppi (ALT+G).

Questo comando crea automaticamente:
- un gruppo denominato “Wall__N”, in cui N è un numero progressivo scelto dall’utente o gestito dal programma;
- delle section cut (cioè un gruppo di nodi che descrivono una sezione di verifica della parete) denominate ScBot (Section cut at Bottom – sezione alla base), ScMid (Section cut in the Middle – sezione in mezzeria) e ScTop (Section Cut at Top - in sommità).
L’attributo
“Wall” è indipendente dalla reale posizione spaziale del gruppo di elementi:
può rappresentare sia un setto in c.a., sia una fascia in c.a., sia una soletta
o una platea.
L’importate è assegnare gruppi di elementi il cui inviluppo spaziale sia
rettangolare.

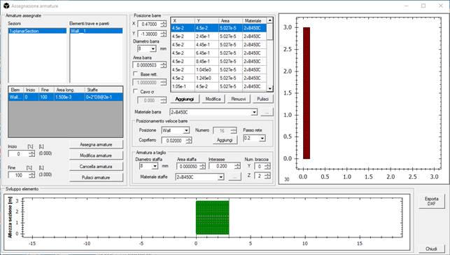
Quando il comando è stato eseguito, potremo armare la parete in c.a. come un’unica sezione, e non elemento per elemento. Usare la maschera in Assegna / Armature; per aggiungere una doppia rete, selezionare “Wall” dall’interno del riquadro Posizionamento veloce barre e specificare il “Passo rete” desiderato.

Per impostazione predefinita, le armature a taglio specificate nel box “Armatura a taglio” costituiranno il passo orizzontale della rete, in genere identico a quello verticale specificato poc’anzi.

Dopo aver eseguito l’analisi, è possibile lanciare la verifica NTC_CA o NTCsismica_CA, che esegue i controlli previsti secondo NTC 2018. Le stazioni di verifica sono 3, poiché utilizziamo le section cut create automaticamente in precedenza. In ognuna di queste, verranno calcolare le sollecitazioni come se il setto fosse un elemento beam per integrazione delle forze nodali.
La disposizione degli assi locali riferiti alla section cut è la seguente:

Pertanto, con riferimento alla section cut di mezzeria della figura precedente, lo sforzo assiale N derivante dall’integrazione agirà secondo l’asse x (rosso), il taglio nel piano Vy secondo l’asse y, il taglio fuori piano Vz secondo z, la flessione fuori piano My attorno all’asse y e la flessione nel piano Mz attorno a z.

Vengono quindi forniti i rapporti di verifica per ogni tipo di controllo (es. Taglio, Flessione, ecc.), cioè il rapporto sollecitazione / resistenza.
Abbiamo visto come sia facile e veloce modellare, caricare, armare e verificare una parete in c.a.. Si rimanda al manuale utente per tutti gli altri comandi relativi alle pareti di NextFEM Designer.